Elektrisch schema

Informatie
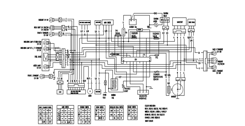
Graag weten waar alle draden naartoe gaan? En wat de functies ervan zijn? Dan ben je op deze pagina op het juiste adres. Hieronder zijn 3 verschillende algemene elektrische schema's te vinden voor meeste Chinese scooters met GY6 blok.
Let op: Kan geen 100% garanderen dat dit precies klopt vergeleken uw scooter. Kijk voor de zekerheid op het internet of er specifiek een elektrisch schema van uw scooter te vinden is.
Ook te gebruiken voor:
De kleuren van de kabels komen ook overheen met meeste Honda scooters/brommers (op gebaseerd), Sym scooters en Kymco scooters. Let op dat het dus deels overheen komt!
Injectie versie
Afbeelding 3 Elektrisch schema voor de Injectie variant.
Te gebruiken voor chinese scooters die het Motion EFi systeem gebruiken. Tevens ook te gebruiken voor het Delphi EFI systeem en Rongmao EFI systeem. Alleen de kleuren zijn afwijkend en wordt er niet gebruikt gemaakt van een electric converter. (rechts bovenin met het wordt Trigger Coil ernaast) Dit is een begrenzer in het Delphi EFI systeem.
Geschikt voor:
- Geschikt voor de Euro 4 modellen
- Ook te gebruiken voor de Euro 5 modellen
Let op! De electic converter dicht bij de ECU op deze schema is IAVC sensor. (Idle Air Valve Controller) Is te herkennen aan een ronde zwarte busje waar een stekker met 4 kabels ingaan.